轴承专区
Bearings Center
NNF 5012 ADB-2LSV轴承-SKF NNF 5012 ADB-2LSV轴承尺寸、图纸、价格
SKF NNF 5012 ADB-2LSV轴承
| 产品名称: | NNF 5012 ADB-2LSV轴承 | 品牌: | SKF |
|---|---|---|---|
| 类型: | SKF轴承 > 滚动轴承 > 圆柱滚子轴承 | ||
| 描述: | NNF 5012 ADB-2LSV轴承是【SKF轴承 > 滚动轴承 > 圆柱滚子轴承】的型号,主要用在家用电器、小型汽车前轮、挖土机履带轮、差速器、振动筛、耕耘机、塔吊、洗染、地基处理机械、冶金起重机等各大领域 | ||
电话/微信:138-8949-5179
SKF NNF 5012 ADB-2LSV轴承详细信息
NNF 5012 ADB-2LSV轴承是【SKF轴承 > 滚动轴承 > 圆柱滚子轴承】的型号,主要用在家用电器、小型汽车前轮、挖土机履带轮、差速器、振动筛、耕耘机、塔吊、洗染、地基处理机械、冶金起重机等各大领域。
SKF NNF 5012 ADB-2LSV轴承详细参数
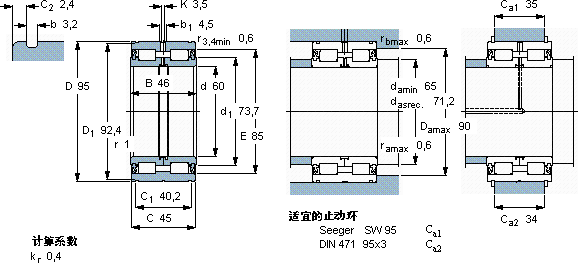
| 圆柱滚子轴承, 双列满装滚子, 两面密封件, 双方向轴向负荷的挡边 | ||||||||||
| 主要数据尺寸 | 基本负荷额定值 | 疲劳负荷限值 | 额定速度 | 体积 | 型号 | |||||
| 动态 | 静态 | 参照速度 | 限制速度 | |||||||
| d | D | B | C | C0 | Pu | |||||
| mm | kN | kN | r/min | kg | - | |||||
| 60 | 95 | 46 | 134 | 208 | 25 | - | 1400 | 1,26 | NNF 5012 ADB-2LSV | |
SKF NNF 5012 ADB-2LSV轴承尺寸图纸

