轴承专区
Bearings Center
PL 72轴承-SKF PL 72轴承尺寸、图纸、价格
SKF PL 72轴承
| 产品名称: | PL 72轴承 | 品牌: | SKF |
|---|---|---|---|
| 类型: | SKF轴承 > 滚动轴承 > 轴承附件 | ||
| 描述: | PL 72轴承是【SKF轴承 > 滚动轴承 > 轴承附件】的型号,主要用在各种产业机械、差速器小齿轮轴、燃汽轮机、小齿轮轴、印刷机械、机床等的变速装置、发电厂、塑料、工程船舶、雷达等各大领域 | ||
电话/微信:138-8949-5179
SKF PL 72轴承详细信息
PL 72轴承是【SKF轴承 > 滚动轴承 > 轴承附件】的型号,主要用在各种产业机械、差速器小齿轮轴、燃汽轮机、小齿轮轴、印刷机械、机床等的变速装置、发电厂、塑料、工程船舶、雷达等各大领域。
SKF PL 72轴承详细参数
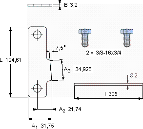
| P锁紧片夹, 英制尺寸 | ||||||
| 尺寸 | 体积 | 型号 | ||||
| 锁定板 | 适宜的锁定螺母 | |||||
| L | A1 | B | ||||
| mm | kg | - | ||||
| 124,61 | 31,75 | 3,2 | 0,1 | PL 72 | N 072 | |
SKF PL 72轴承尺寸图纸

