轴承专区
Bearings Center
HMVC 88E轴承-SKF HMVC 88E轴承尺寸、图纸、价格
SKF HMVC 88E轴承
| 产品名称: | HMVC 88E轴承 | 品牌: | SKF |
|---|---|---|---|
| 类型: | SKF轴承 > 滚动轴承 > 轴承附件 | ||
| 描述: | HMVC 88E轴承是【SKF轴承 > 滚动轴承 > 轴承附件】的型号,主要用在飞机喷气式发动机、燃汽轮机、泵、后轮、铁路车辆车轴、起重机吊钩、燃机、钟表、专用车、钢包回转台等各大领域 | ||
电话/微信:138-8949-5179
SKF HMVC 88E轴承详细信息
HMVC 88E轴承是【SKF轴承 > 滚动轴承 > 轴承附件】的型号,主要用在飞机喷气式发动机、燃汽轮机、泵、后轮、铁路车辆车轴、起重机吊钩、燃机、钟表、专用车、钢包回转台等各大领域。
SKF HMVC 88E轴承详细参数
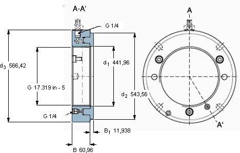
| Hydraulic nuts, inch sizes | ||||||||||||
| 螺纹尺寸 | 尺寸 | Permitted | Piston area | 体积 | 型号 | |||||||
| piston | ||||||||||||
| G | d1 | d2 | d3 | B | B1 | displacement | ||||||
| mm | mm (metric sizes) | mm | mm | mm2 (metric sizes) | kg | - | ||||||
| in - threads/in (inch sizes) | in2 (inch sizes) | |||||||||||
| 436,855 | 17.319 in - 5 | 441,96 | 543,56 | 566,42 | 60,96 | 11,938 | 17,018 | 65,9 | 119 | HMVC 88E | - | |
SKF HMVC 88E轴承尺寸图纸

