轴承专区
Bearings Center
NJ 2215 ECML *轴承-SKF NJ 2215 ECML *轴承尺寸、图纸、价格
SKF NJ 2215 ECML *轴承
| 产品名称: | NJ 2215 ECML *轴承 | 品牌: | SKF |
|---|---|---|---|
| 类型: | SKF轴承 > 滚动轴承 > 圆柱滚子轴承 | ||
| 描述: | NJ 2215 ECML *轴承是【SKF轴承 > 滚动轴承 > 圆柱滚子轴承】的型号,主要用在通用电动机、罗茨鼓风机、木工机械、建筑机械、印刷机械、制铁制钢机械、轧钢机轧制螺杆用减速机、玩具、起重机械、机场加油机等各大领域 | ||
电话/微信:138-8949-5179
SKF NJ 2215 ECML *轴承详细信息
NJ 2215 ECML *轴承是【SKF轴承 > 滚动轴承 > 圆柱滚子轴承】的型号,主要用在通用电动机、罗茨鼓风机、木工机械、建筑机械、印刷机械、制铁制钢机械、轧钢机轧制螺杆用减速机、玩具、起重机械、机场加油机等各大领域。
SKF NJ 2215 ECML *轴承详细参数
| 圆柱滚子轴承, 单列, NJ 设计 | ||||||||||||
| 主要数据尺寸 | 基本负荷额定值 | 疲劳负荷限值 | 额定速度 | 体积 | 型号 | 适宜的斜挡圈 | ||||||
| 动态 | 静态 | 参照速度 | 限制速度 | 型号 | ||||||||
| d | D | B | C | C0 | Pu | * - SKF Explorer 轴承 | ||||||
| mm | kN | kN | r/min | kg | - | - | ||||||
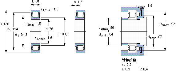
| 75 | 130 | 31 | 186 | 208 | 27 | 5600 | 6000 | 1,60 | NJ 2215 ECML * | - | ||
SKF NJ 2215 ECML *轴承尺寸图纸

