李工:138-8949-5179 刘工:135-0428-8802
型号查询
轴承型号   常见搜索: 6214轴承 6010轴承 6008轴承 6022轴承 71913轴承 6013轴承
型号查询 X

轴承专区

Bearings Center

SIKB 5 F/VZ 019轴承-SKF SIKB 5 F/VZ 019轴承尺寸、图纸、价格

SKF SIKB 5 F/VZ 019轴承

产品名称:SIKB 5 F/VZ 019轴承 品牌:SKF
类型:SKF轴承 > 球面滑动轴承和杆端关节轴承 > 免维护的杆端关节轴承
描述:SIKB 5 F/VZ 019轴承是【SKF轴承 > 球面滑动轴承和杆端关节轴承 > 免维护的杆端关节轴承】的型号,主要用在各种产业机械、差速器小齿轮轴、压缩机、小齿轮轴、各类产业用减速机、机床等的变速装置、发电厂、破碎、工程船舶、雷达等各大领域

 电话/微信:138-8949-5179

SKF SIKB 5 F/VZ 019轴承详细信息

SIKB 5 F/VZ 019轴承是【SKF轴承 > 球面滑动轴承和杆端关节轴承 > 免维护的杆端关节轴承】的型号,主要用在各种产业机械、差速器小齿轮轴、压缩机、小齿轮轴、各类产业用减速机、机床等的变速装置、发电厂、破碎、工程船舶、雷达等各大领域。

SKF SIKB 5 F/VZ 019轴承详细参数

免维护杆端, 阴螺纹, 钢/PTFE复合材料
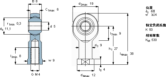
主要数据尺寸角度倾的基本负荷额定值质量型号
动态静态轴承座完全与密封件
dd2Bd3C1h1±CC0
6H
mm度数kNkg-
5198M 4627133,255,30,019SIKB 5 F/VZ 019

SKF SIKB 5 F/VZ 019轴承尺寸图纸

李工:138-8949-5179

刘工:135-0428-8802

地址:辽宁省大连经济技术开发区现代城3栋-13-13号

在线客服系统