李工:138-8949-5179 刘工:135-0428-8802
型号查询
轴承型号   常见搜索: 6007轴承 6015轴承 6002轴承 6900轴承 6214轴承 6008轴承
型号查询 X

轴承专区

Bearings Center

21315 EK + AH 315 G *轴承-SKF 21315 EK + AH 315 G *轴承尺寸、图纸、价格

SKF 21315 EK + AH 315 G *轴承

产品名称:21315 EK + AH 315 G *轴承 品牌:SKF
类型:SKF轴承 > 滚动轴承 > 球面滚子轴承
描述:21315 EK + AH 315 G *轴承是【SKF轴承 > 滚动轴承 > 球面滚子轴承】的型号,主要用在变速器、高频马达、变速器、前轮、轧钢机齿轮箱座、机床主轴、立式电动机、音像设备、挖掘机、正面吊等各大领域

 电话/微信:138-8949-5179

SKF 21315 EK + AH 315 G *轴承详细信息

21315 EK + AH 315 G *轴承是【SKF轴承 > 滚动轴承 > 球面滚子轴承】的型号,主要用在变速器、高频马达、变速器、前轮、轧钢机齿轮箱座、机床主轴、立式电动机、音像设备、挖掘机、正面吊等各大领域。

SKF 21315 EK + AH 315 G *轴承详细参数

球面滚子轴承, 带退卸套的
主要数据尺寸基本负荷额定值疲劳负荷限值额定速度体积型号
动态静态参照速度限制速度轴承 +退卸套
d1DBCC0Pu
* - SKF Explorer 轴承
mmkNkNr/minkg-
701603728532534,5400056004,1521315 EK + AH 315 G *

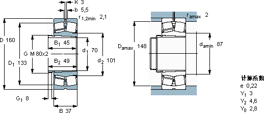
SKF 21315 EK + AH 315 G *轴承尺寸图纸

李工:138-8949-5179

刘工:135-0428-8802

地址:辽宁省大连经济技术开发区现代城3栋-13-13号

在线客服系统