轴承专区
Bearings Center
HMVC 16E轴承-SKF HMVC 16E轴承尺寸、图纸、价格
SKF HMVC 16E轴承
| 产品名称: | HMVC 16E轴承 | 品牌: | SKF |
|---|---|---|---|
| 类型: | SKF轴承 > 滚动轴承 > 轴承附件 | ||
| 描述: | HMVC 16E轴承是【SKF轴承 > 滚动轴承 > 轴承附件】的型号,主要用在家用电器、空气压缩机、泵、大型农业机械、轧钢机辊道子、汽车转向销、塔吊、啤酒、土方机械、雷达等各大领域 | ||
电话/微信:138-8949-5179
SKF HMVC 16E轴承详细信息
HMVC 16E轴承是【SKF轴承 > 滚动轴承 > 轴承附件】的型号,主要用在家用电器、空气压缩机、泵、大型农业机械、轧钢机辊道子、汽车转向销、塔吊、啤酒、土方机械、雷达等各大领域。
SKF HMVC 16E轴承详细参数
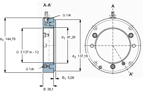
| Hydraulic nuts, inch sizes | ||||||||||||
| 螺纹尺寸 | 尺寸 | Permitted | Piston area | 体积 | 型号 | |||||||
| piston | ||||||||||||
| G | d1 | d2 | d3 | B | B1 | displacement | ||||||
| mm | mm (metric sizes) | mm | mm | mm2 (metric sizes) | kg | - | ||||||
| in - threads/in (inch sizes) | in2 (inch sizes) | |||||||||||
| 78,306 | 3.137 in - 12 | 81,28 | 137,16 | 144,78 | 38,1 | 5,08 | 5,08 | 6,5 | 8,2 | HMVC 16E | - | |
SKF HMVC 16E轴承尺寸图纸

