轴承专区
Bearings Center
SKF 634轴承
| 产品名称: | 634轴承 | 品牌: | SKF |
|---|---|---|---|
| 类型: | SKF轴承 > 滚动轴承 > 深沟球轴承 | ||
| 描述: | 634轴承是【SKF轴承 > 滚动轴承 > 深沟球轴承】的型号,主要用在通用电动机、各类变速器、汽车发动机、铁路车辆、轧钢机齿轮箱座、机床主轴、轧钢机轧制螺杆用减速机、啤酒、挖掘机、太阳能发电设备等各大领域 | ||
电话/微信:138-8949-5179
SKF 634轴承详细信息
634轴承是【SKF轴承 > 滚动轴承 > 深沟球轴承】的型号,主要用在通用电动机、各类变速器、汽车发动机、铁路车辆、轧钢机齿轮箱座、机床主轴、轧钢机轧制螺杆用减速机、啤酒、挖掘机、太阳能发电设备等各大领域。
SKF 634轴承详细参数
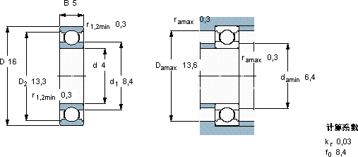
| 深沟球轴承, 单列, 无密封件 | |||||||||||
| 主要数据尺寸 | 基本负荷额定值 | 疲劳负荷限值 | 额定速度 | 体积 | 型号 | ||||||
| 动态 | 静态 | 参照速度 | 限制速度 | ||||||||
| d | D | B | C | C0 | Pu | ||||||
| mm | kN | kN | r/min | kg | - | ||||||
| 4 | 16 | 5 | 1,11 | 0,38 | 0,016 | 95000 | 60000 | 0,0054 | 634 | ||
SKF 634轴承尺寸图纸

