轴承专区
Bearings Center
11212 TN9轴承-SKF 11212 TN9轴承尺寸、图纸、价格
SKF 11212 TN9轴承
| 产品名称: | 11212 TN9轴承 | 品牌: | SKF |
|---|---|---|---|
| 类型: | SKF轴承 > 滚动轴承 > 自调心球轴承 | ||
| 描述: | 11212 TN9轴承是【SKF轴承 > 滚动轴承 > 自调心球轴承】的型号,主要用在燃汽轮机、各类变速器、提升机、铁路车辆、各类产业用减速机、机床等的变速装置、电机厂、精细化工机械、工程船舶、抓钢机等各大领域 | ||
电话/微信:138-8949-5179
SKF 11212 TN9轴承详细信息
11212 TN9轴承是【SKF轴承 > 滚动轴承 > 自调心球轴承】的型号,主要用在燃汽轮机、各类变速器、提升机、铁路车辆、各类产业用减速机、机床等的变速装置、电机厂、精细化工机械、工程船舶、抓钢机等各大领域。
SKF 11212 TN9轴承详细参数
| 自调心球轴承, 圆柱孔和圆锥孔, 宽内圈 | ||||||||||
| 主要数据尺寸 | 基本负荷额定值 | 疲劳负荷限值 | 额定速度 | 体积 | 型号 | |||||
| 动态 | 静态 | 参照速度 | 限制速度 | |||||||
| d | D | B | C | C0 | Pu | |||||
| mm | kN | kN | r/min | kg | - | |||||
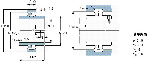
| 60 | 110 | 62 | 30,2 | 11,6 | 0,6 | - | 3400 | 1,15 | 11212 TN9 | |
SKF 11212 TN9轴承尺寸图纸

