轴承专区
Bearings Center
22218 E/W64 *轴承-SKF 22218 E/W64 *轴承尺寸、图纸、价格
SKF 22218 E/W64 *轴承
| 产品名称: | 22218 E/W64 *轴承 | 品牌: | SKF |
|---|---|---|---|
| 类型: | SKF轴承 > 滚动轴承 > 球面滚子轴承 | ||
| 描述: | 22218 E/W64 *轴承是【SKF轴承 > 滚动轴承 > 球面滚子轴承】的型号,主要用在通用电动机、罗茨鼓风机、发电机、建筑机械、破碎机、制铁制钢机械、轧钢机轧制螺杆用减速机、精细化工机械、起重机械、机场加油机等各大领域 | ||
电话/微信:138-8949-5179
SKF 22218 E/W64 *轴承详细信息
22218 E/W64 *轴承是【SKF轴承 > 滚动轴承 > 球面滚子轴承】的型号,主要用在通用电动机、罗茨鼓风机、发电机、建筑机械、破碎机、制铁制钢机械、轧钢机轧制螺杆用减速机、精细化工机械、起重机械、机场加油机等各大领域。
SKF 22218 E/W64 *轴承详细参数
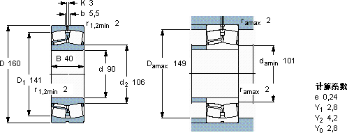
| 球面滚子轴承, 圆柱型内孔,含Solid Oil, 圆柱型内孔 | |||||||||
| 主要数据尺寸 | 基本负荷额定值 | 疲劳负荷限值 | 限制速度 | 体积 | 型号 | ||||
| 动态 | 静态 | ||||||||
| d | D | B | C | C0 | Pu | * - SKF Explorer 轴承 | |||
| mm | kN | kN | r/min | kg | - | ||||
| 90 | 160 | 40 | 325 | 375 | 39 | 340 | 3,40 | 22218 E/W64 * | |
SKF 22218 E/W64 *轴承尺寸图纸

