轴承专区
Bearings Center
NJ 2217 ECM *轴承-SKF NJ 2217 ECM *轴承尺寸、图纸、价格
SKF NJ 2217 ECM *轴承
| 产品名称: | NJ 2217 ECM *轴承 | 品牌: | SKF |
|---|---|---|---|
| 类型: | SKF轴承 > 滚动轴承 > 圆柱滚子轴承 | ||
| 描述: | NJ 2217 ECM *轴承是【SKF轴承 > 滚动轴承 > 圆柱滚子轴承】的型号,主要用在建筑机械、高频马达、桥式起重机、前轮、各类产业用减速机、机床主轴、成形机、玩具、挖掘机、泥炮等各大领域 | ||
电话/微信:138-8949-5179
SKF NJ 2217 ECM *轴承详细信息
NJ 2217 ECM *轴承是【SKF轴承 > 滚动轴承 > 圆柱滚子轴承】的型号,主要用在建筑机械、高频马达、桥式起重机、前轮、各类产业用减速机、机床主轴、成形机、玩具、挖掘机、泥炮等各大领域。
SKF NJ 2217 ECM *轴承详细参数
| 圆柱滚子轴承, 单列, NJ 设计 | ||||||||||||
| 主要数据尺寸 | 基本负荷额定值 | 疲劳负荷限值 | 额定速度 | 体积 | 型号 | 适宜的斜挡圈 | ||||||
| 动态 | 静态 | 参照速度 | 限制速度 | 型号 | ||||||||
| d | D | B | C | C0 | Pu | * - SKF Explorer 轴承 | ||||||
| mm | kN | kN | r/min | kg | - | - | ||||||
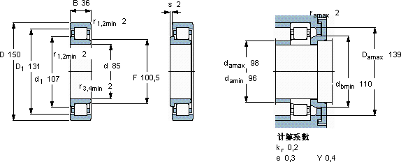
| 85 | 150 | 36 | 250 | 280 | 34,5 | 4800 | 5300 | 2,55 | NJ 2217 ECM * | - | ||
SKF NJ 2217 ECM *轴承尺寸图纸

