李工:138-8949-5179 刘工:135-0428-8802
型号查询
轴承型号   常见搜索: 6009轴承 32313轴承 6006轴承 2025轴承 6909轴承 6018轴承
型号查询 X

轴承专区

Bearings Center

23944 CC/W33轴承-SKF 23944 CC/W33轴承尺寸、图纸、价格

SKF 23944 CC/W33轴承

产品名称:23944 CC/W33轴承 品牌:SKF
类型:SKF轴承 > 滚动轴承 > 球面滚子轴承
描述:23944 CC/W33轴承是【SKF轴承 > 滚动轴承 > 球面滚子轴承】的型号,主要用在通用电动机、离心分离机、木工机械、变速器、轧钢机齿轮箱座、制铁制钢机械、轧钢机轧制螺杆用减速机、精细化工机械、堆取料机、太阳能发电设备等各大领域

 电话/微信:138-8949-5179

SKF 23944 CC/W33轴承详细信息

23944 CC/W33轴承是【SKF轴承 > 滚动轴承 > 球面滚子轴承】的型号,主要用在通用电动机、离心分离机、木工机械、变速器、轧钢机齿轮箱座、制铁制钢机械、轧钢机轧制螺杆用减速机、精细化工机械、堆取料机、太阳能发电设备等各大领域。

SKF 23944 CC/W33轴承详细参数

球面滚子轴承, 圆柱和圆锥孔, 圆柱型内孔, 无密封件
主要数据尺寸基本负荷额定值疲劳负荷限值额定速度体积型号
动态静态参照速度限制速度
dDBCC0Pu
mmkNkNr/minkg-
220300605461080931900220012,523944 CC/W33

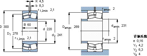
SKF 23944 CC/W33轴承尺寸图纸

李工:138-8949-5179

刘工:135-0428-8802

地址:辽宁省大连经济技术开发区现代城3栋-13-13号

在线客服系统