轴承专区
Bearings Center
YET 203轴承-SKF YET 203轴承尺寸、图纸、价格
SKF YET 203轴承
| 产品名称: | YET 203轴承 | 品牌: | SKF |
|---|---|---|---|
| 类型: | SKF轴承 > 滚动轴承 > Y-轴承 | ||
| 描述: | YET 203轴承是【SKF轴承 > 滚动轴承 > Y-轴承】的型号,主要用在家用电器、燃汽轮机、燃汽轮机、后轮、轧钢机辊道子、石油钻机、塔吊、塑料、给料机械、雷达等各大领域 | ||
电话/微信:138-8949-5179
SKF YET 203轴承详细信息
YET 203轴承是【SKF轴承 > 滚动轴承 > Y-轴承】的型号,主要用在家用电器、燃汽轮机、燃汽轮机、后轮、轧钢机辊道子、石油钻机、塔吊、塑料、给料机械、雷达等各大领域。
SKF YET 203轴承详细参数
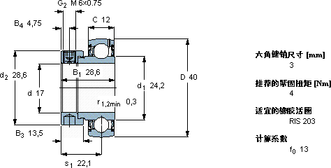
| Y-轴承, 带偏心锁定环的, YET 2 | ||||||||||
| 主要数据尺寸 | 基本负荷额定值 | 疲劳负荷限值 | 限制速度 | 体积 | 型号 | |||||
| 动态 | 静态 | |||||||||
| d | D | B1 (B) | C | C | C0 | Pu | 用于轴公差h6 | |||
| mm | kN | kN | r/min | kg | - | |||||
| 17 | 40 | 28,6 | 12 | 9,56 | 4,75 | 0,2 | 9500 | 0,11 | YET 203 | |
SKF YET 203轴承尺寸图纸

