轴承专区
Bearings Center
1211 EKTN9轴承-SKF 1211 EKTN9轴承尺寸、图纸、价格
SKF 1211 EKTN9轴承
| 产品名称: | 1211 EKTN9轴承 | 品牌: | SKF |
|---|---|---|---|
| 类型: | SKF轴承 > 滚动轴承 > 自调心球轴承 | ||
| 描述: | 1211 EKTN9轴承是【SKF轴承 > 滚动轴承 > 自调心球轴承】的型号,主要用在农业机械、小型汽车前轮、汽车发动机、差速器、铁路车辆车轴、耕耘机、钢铁厂、精细化工机械、地基处理机械、机场加油机等各大领域 | ||
电话/微信:138-8949-5179
SKF 1211 EKTN9轴承详细信息
1211 EKTN9轴承是【SKF轴承 > 滚动轴承 > 自调心球轴承】的型号,主要用在农业机械、小型汽车前轮、汽车发动机、差速器、铁路车辆车轴、耕耘机、钢铁厂、精细化工机械、地基处理机械、机场加油机等各大领域。
SKF 1211 EKTN9轴承详细参数
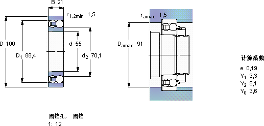
| 自调心球轴承, 圆柱孔和圆锥孔, 圆锥型内孔, 无密封件 | ||||||||||
| 主要数据尺寸 | 基本负荷额定值 | 疲劳负荷限值 | 额定速度 | 体积 | 型号 | |||||
| 动态 | 静态 | 参照速度 | 限制速度 | |||||||
| d | D | B | C | C0 | Pu | |||||
| mm | kN | kN | r/min | kg | - | |||||
| 55 | 100 | 21 | 27,6 | 10,6 | 0,54 | 14000 | 9000 | 0,71 | 1211 EKTN9 | |
SKF 1211 EKTN9轴承尺寸图纸

