轴承专区
Bearings Center
KMFE 28轴承-SKF KMFE 28轴承尺寸、图纸、价格
SKF KMFE 28轴承
| 产品名称: | KMFE 28轴承 | 品牌: | SKF |
|---|---|---|---|
| 类型: | SKF轴承 > 滚动轴承 > 轴承附件 | ||
| 描述: | KMFE 28轴承是【SKF轴承 > 滚动轴承 > 轴承附件】的型号,主要用在电气装置部件、小型汽车前轮、压缩机、差速器、轧钢机辊道子、耕耘机、船舶用螺旋桨轴、医药设备、地基处理机械、伽玛等各大领域 | ||
电话/微信:138-8949-5179
SKF KMFE 28轴承详细信息
KMFE 28轴承是【SKF轴承 > 滚动轴承 > 轴承附件】的型号,主要用在电气装置部件、小型汽车前轮、压缩机、差速器、轧钢机辊道子、耕耘机、船舶用螺旋桨轴、医药设备、地基处理机械、伽玛等各大领域。
SKF KMFE 28轴承详细参数
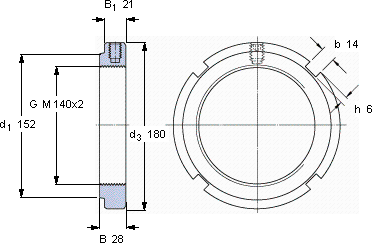
| 带锁紧螺钉的KMFE锁紧定螺母 | ||||||||||
| 螺纹尺寸 | 尺寸 | 轴向负荷 | 体积 | 型号 | 平头螺钉 | |||||
| 承载能力 | 锁定螺母 | 适宜的板手 | 尺寸 | 推荐的紧固扭矩 | ||||||
| d3 | B | G | 静态 | |||||||
| - | mm | - | kN | kg | - | - | Nm | |||
| 140 | 180 | 28 | M 140x2 | 440 | 1,55 | KMFE 28 | TMFN 23-30 | M 10 | 35 | |
SKF KMFE 28轴承尺寸图纸

