李工:138-8949-5179 刘工:135-0428-8802
型号查询
轴承型号   常见搜索: 6017轴承 6003轴承 6006轴承 22222轴承 6010轴承 6028轴承
型号查询 X

轴承专区

Bearings Center

FBSA 205/ QBC轴承-SKF FBSA 205/ QBC轴承尺寸、图纸、价格

SKF FBSA 205/ QBC轴承

产品名称:FBSA 205/ QBC轴承 品牌:SKF
类型:SKF轴承 > 超高精密轴承 > Angular contact thrust ball bearings for screw drives
描述:FBSA 205/ QBC轴承是【SKF轴承 > 超高精密轴承 > Angular contact thrust ball bearings for screw drives】的型号,主要用在农业机械、空气压缩机、发电机、大型农业机械、铁路车辆车轴、耕耘机、钢铁厂、烟草机械、地基处理机械、刮泥机等各大领域

 电话/微信:138-8949-5179

SKF FBSA 205/ QBC轴承详细信息

FBSA 205/ QBC轴承是【SKF轴承 > 超高精密轴承 > Angular contact thrust ball bearings for screw drives】的型号,主要用在农业机械、空气压缩机、发电机、大型农业机械、铁路车辆车轴、耕耘机、钢铁厂、烟草机械、地基处理机械、刮泥机等各大领域。

SKF FBSA 205/ QBC轴承详细参数

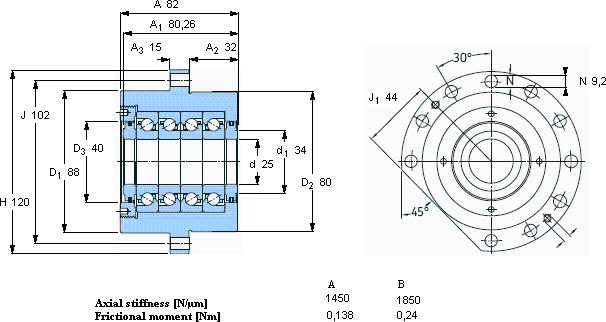
角接触推力球轴承 for screw drives, cartridge units with flanged housing
主要数据尺寸基本负荷额定值疲劳负荷限值可达到的速度体积型号
动态静态预压SKFSNFA
AB
dD2ACC0Pu
mmkNkNr/minkg-
25808236,5121043,86450022503,5FBSA 205/ QBCBSQU 225 TDT

SKF FBSA 205/ QBC轴承尺寸图纸

李工:138-8949-5179

刘工:135-0428-8802

地址:辽宁省大连经济技术开发区现代城3栋-13-13号

在线客服系统