轴承专区
Bearings Center
BC1M 580-319470轴承-SKF BC1M 580-319470轴承尺寸、图纸、价格
SKF BC1M 580-319470轴承
| 产品名称: | BC1M 580-319470轴承 | 品牌: | SKF |
|---|---|---|---|
| 类型: | SKF轴承 > 滚动轴承 > 圆柱滚子轴承 | ||
| 描述: | BC1M 580-319470轴承是【SKF轴承 > 滚动轴承 > 圆柱滚子轴承】的型号,主要用在内燃机、燃汽轮机、纺织机械传动轴、后轮、铁路车辆车轴、起重机吊钩、挤压机、医药设备、专用车、数控设备等各大领域 | ||
电话/微信:138-8949-5179
SKF BC1M 580-319470轴承详细信息
BC1M 580-319470轴承是【SKF轴承 > 滚动轴承 > 圆柱滚子轴承】的型号,主要用在内燃机、燃汽轮机、纺织机械传动轴、后轮、铁路车辆车轴、起重机吊钩、挤压机、医药设备、专用车、数控设备等各大领域。
SKF BC1M 580-319470轴承详细参数
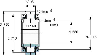
| 圆柱滚子轴承, 剖分式单列 | |||||||||||
| 主要数据尺寸 | 基本负荷额定值 | 疲劳负荷限值 | 径向内部游隙 | 体积 | 型号 | ||||||
| 动态 | 静态 | ||||||||||
| d | D | B | C | C | C0 | Pu | 最小 | 最大 | |||
| mm | kN | kN | mm | kg | - | ||||||
| 580 | 750 | 160 | 90 | 1190 | 2280 | 176 | 0,38 | 0,5 | 135 | BC1M 580-319470 | |
SKF BC1M 580-319470轴承尺寸图纸

