李工:138-8949-5179 刘工:135-0428-8802
型号查询
轴承型号   常见搜索: 617轴承 6022轴承 6011轴承 6001轴承 6016轴承 23136轴承
型号查询 X

轴承专区

Bearings Center

23240 CCK/W33 + AH 3240 *轴承-SKF 23240 CCK/W33 + AH 3240 *轴承尺寸、图纸、价格

SKF 23240 CCK/W33 + AH 3240 *轴承

产品名称:23240 CCK/W33 + AH 3240 *轴承 品牌:SKF
类型:SKF轴承 > 滚动轴承 > 球面滚子轴承
描述:23240 CCK/W33 + AH 3240 *轴承是【SKF轴承 > 滚动轴承 > 球面滚子轴承】的型号,主要用在家用电器、小型汽车前轮、发电机、差速器、造纸机械、汽车转向销、塔吊、洗染、掘进机、冶金起重机等各大领域

 电话/微信:138-8949-5179

SKF 23240 CCK/W33 + AH 3240 *轴承详细信息

23240 CCK/W33 + AH 3240 *轴承是【SKF轴承 > 滚动轴承 > 球面滚子轴承】的型号,主要用在家用电器、小型汽车前轮、发电机、差速器、造纸机械、汽车转向销、塔吊、洗染、掘进机、冶金起重机等各大领域。

SKF 23240 CCK/W33 + AH 3240 *轴承详细参数

球面滚子轴承, 带退卸套的
主要数据尺寸基本负荷额定值疲劳负荷限值额定速度体积型号
动态静态参照速度限制速度轴承 +退卸套
d1DBCC0Pu
* - SKF Explorer 轴承
mmkNkNr/minkg-
190360128186027002281200170063,023240 CCK/W33 + AH 3240 *

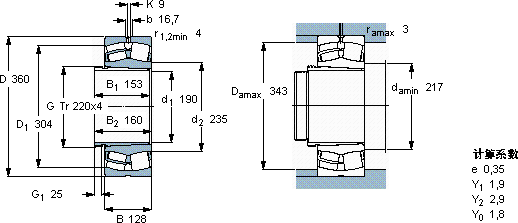
SKF 23240 CCK/W33 + AH 3240 *轴承尺寸图纸

李工:138-8949-5179

刘工:135-0428-8802

地址:辽宁省大连经济技术开发区现代城3栋-13-13号

在线客服系统