轴承专区
Bearings Center
24026 CC/W33 *轴承-SKF 24026 CC/W33 *轴承尺寸、图纸、价格
SKF 24026 CC/W33 *轴承
| 产品名称: | 24026 CC/W33 *轴承 | 品牌: | SKF |
|---|---|---|---|
| 类型: | SKF轴承 > 滚动轴承 > 球面滚子轴承 | ||
| 描述: | 24026 CC/W33 *轴承是【SKF轴承 > 滚动轴承 > 球面滚子轴承】的型号,主要用在后轮、油泵、泵、机床主轴、造纸机械、起重机吊钩、水力发电机、纺织、专用车、港口起重机等各大领域 | ||
电话/微信:138-8949-5179
SKF 24026 CC/W33 *轴承详细信息
24026 CC/W33 *轴承是【SKF轴承 > 滚动轴承 > 球面滚子轴承】的型号,主要用在后轮、油泵、泵、机床主轴、造纸机械、起重机吊钩、水力发电机、纺织、专用车、港口起重机等各大领域。
SKF 24026 CC/W33 *轴承详细参数
| 球面滚子轴承, 圆柱和圆锥孔, 圆柱型内孔, 无密封件 | ||||||||||
| 主要数据尺寸 | 基本负荷额定值 | 疲劳负荷限值 | 额定速度 | 体积 | 型号 | |||||
| 动态 | 静态 | 参照速度 | 限制速度 | |||||||
| d | D | B | C | C0 | Pu | * - SKF Explorer 轴承 | ||||
| mm | kN | kN | r/min | kg | - | |||||
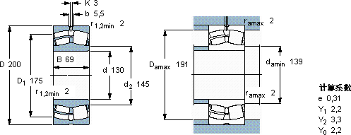
| 130 | 200 | 69 | 540 | 815 | 81,5 | 2000 | 3000 | 8,05 | 24026 CC/W33 * | |
SKF 24026 CC/W33 *轴承尺寸图纸

