李工:138-8949-5179 刘工:135-0428-8802
型号查询
轴承型号   常见搜索: 6001轴承 6019轴承 6909轴承 7014轴承 32313轴承 6026轴承
型号查询 X

轴承专区

Bearings Center

7317 BEM轴承-SKF 7317 BEM轴承尺寸、图纸、价格

SKF 7317 BEM轴承

产品名称:7317 BEM轴承 品牌:SKF
类型:SKF轴承 > 滚动轴承 > 角接触球轴承
描述:7317 BEM轴承是【SKF轴承 > 滚动轴承 > 角接触球轴承】的型号,主要用在燃汽轮机、差速器小齿轮轴、木工机械、小齿轮轴、各类产业用减速机、机床等的变速装置、电机厂、啤酒、压路机、数控设备等各大领域

 电话/微信:138-8949-5179

SKF 7317 BEM轴承详细信息

7317 BEM轴承是【SKF轴承 > 滚动轴承 > 角接触球轴承】的型号,主要用在燃汽轮机、差速器小齿轮轴、木工机械、小齿轮轴、各类产业用减速机、机床等的变速装置、电机厂、啤酒、压路机、数控设备等各大领域。

SKF 7317 BEM轴承详细参数

角接触球轴承, 单列
主要数据尺寸尺寸 [英寸]疲劳负荷限值额定速度体积型号
动态静态参照速度限制速度
dDBCC0Pu
mmkNkNr/minkg-
85180411461124,5430045004,747317 BEM

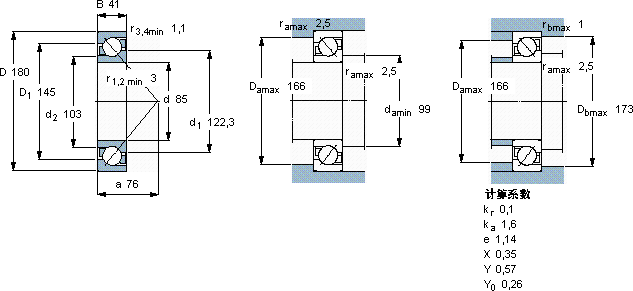
SKF 7317 BEM轴承尺寸图纸

李工:138-8949-5179

刘工:135-0428-8802

地址:辽宁省大连经济技术开发区现代城3栋-13-13号

在线客服系统