轴承专区
Bearings Center
11205 ETN9轴承-SKF 11205 ETN9轴承尺寸、图纸、价格
SKF 11205 ETN9轴承
| 产品名称: | 11205 ETN9轴承 | 品牌: | SKF |
|---|---|---|---|
| 类型: | SKF轴承 > 滚动轴承 > 自调心球轴承 | ||
| 描述: | 11205 ETN9轴承是【SKF轴承 > 滚动轴承 > 自调心球轴承】的型号,主要用在内燃机、燃汽轮机、提升机、后轮、木工机械、石油钻机、挤压机、烟草机械、解体机、数控设备等各大领域 | ||
电话/微信:138-8949-5179
SKF 11205 ETN9轴承详细信息
11205 ETN9轴承是【SKF轴承 > 滚动轴承 > 自调心球轴承】的型号,主要用在内燃机、燃汽轮机、提升机、后轮、木工机械、石油钻机、挤压机、烟草机械、解体机、数控设备等各大领域。
SKF 11205 ETN9轴承详细参数
| 自调心球轴承, 圆柱孔和圆锥孔, 宽内圈 | ||||||||||
| 主要数据尺寸 | 基本负荷额定值 | 疲劳负荷限值 | 额定速度 | 体积 | 型号 | |||||
| 动态 | 静态 | 参照速度 | 限制速度 | |||||||
| d | D | B | C | C0 | Pu | |||||
| mm | kN | kN | r/min | kg | - | |||||
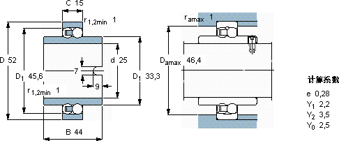
| 25 | 52 | 44 | 14,3 | 4 | 0,21 | - | 8000 | 0,22 | 11205 ETN9 | |
SKF 11205 ETN9轴承尺寸图纸

