轴承专区
Bearings Center
SI 8 C轴承-SKF SI 8 C轴承尺寸、图纸、价格
SKF SI 8 C轴承
| 产品名称: | SI 8 C轴承 | 品牌: | SKF |
|---|---|---|---|
| 类型: | SKF轴承 > 球面滑动轴承和杆端关节轴承 > 免维护的杆端关节轴承 | ||
| 描述: | SI 8 C轴承是【SKF轴承 > 球面滑动轴承和杆端关节轴承 > 免维护的杆端关节轴承】的型号,主要用在通用电动机、印刷机械、减速装置、轧钢机辊颈、破碎机、制铁制钢机械、轧钢机轧制螺杆用减速机、玩具、堆取料机、刮泥机等各大领域 | ||
电话/微信:138-8949-5179
SKF SI 8 C轴承详细信息
SI 8 C轴承是【SKF轴承 > 球面滑动轴承和杆端关节轴承 > 免维护的杆端关节轴承】的型号,主要用在通用电动机、印刷机械、减速装置、轧钢机辊颈、破碎机、制铁制钢机械、轧钢机轧制螺杆用减速机、玩具、堆取料机、刮泥机等各大领域。
SKF SI 8 C轴承详细参数
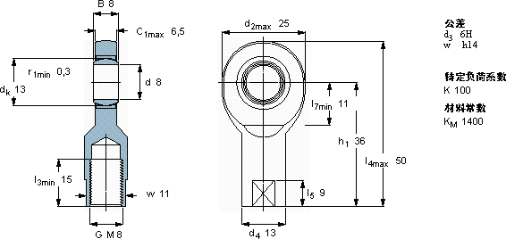
| 免维护杆端, 阴螺纹, 钢/烧结铜复合材料 | |||||||||||
| 主要数据尺寸 | 角度倾的 | 基本负荷额定值 | 质量 | 型号 | |||||||
| 动态 | 静态 | 轴承座完全与密封件 | |||||||||
| d | d2 | B | d3 | C1 | h1 | ± | C | C0 | |||
| 6H | |||||||||||
| mm | 度数 | kN | kg | - | |||||||
| 8 | 25 | 8 | M 8 | 6,5 | 36 | 15 | 5,85 | 12,9 | 0,039 | SI 8 C | |
SKF SI 8 C轴承尺寸图纸

