李工:138-8949-5179 刘工:135-0428-8802
型号查询
轴承型号   常见搜索: 6006轴承 6008轴承 6305轴承 22222轴承 6909轴承 6030轴承
型号查询 X

轴承专区

Bearings Center

6409 NR轴承-SKF 6409 NR轴承尺寸、图纸、价格

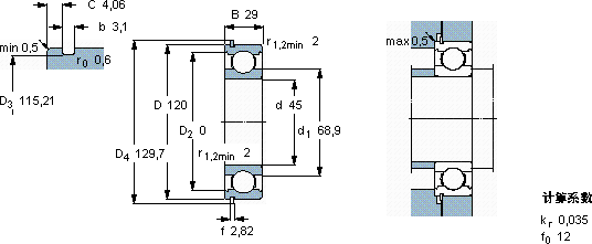
SKF 6409 NR轴承

产品名称:6409 NR轴承 品牌:SKF
类型:SKF轴承 > 滚动轴承 > 深沟球轴承
描述:6409 NR轴承是【SKF轴承 > 滚动轴承 > 深沟球轴承】的型号,主要用在通用电动机、高频马达、泵、前轮、轧钢机齿轮箱座、机床主轴、轧钢机轧制螺杆用减速机、制鞋、挖掘机、机场加油机等各大领域

 电话/微信:138-8949-5179

SKF 6409 NR轴承详细信息

6409 NR轴承是【SKF轴承 > 滚动轴承 > 深沟球轴承】的型号,主要用在通用电动机、高频马达、泵、前轮、轧钢机齿轮箱座、机床主轴、轧钢机轧制螺杆用减速机、制鞋、挖掘机、机场加油机等各大领域。

SKF 6409 NR轴承详细参数

深沟球轴承, 单列,带止动环槽, 无密封件
主要数据尺寸基本负荷额定值疲劳负荷限值额定速度体积型号
动态静态参照速度限制速度轴承止动环
(R = 带止动环)
dDBCC0Pu
mmkNkNr/minkg-
451202976,1451,91300085001,556409 NRSP 120

SKF 6409 NR轴承尺寸图纸

李工:138-8949-5179

刘工:135-0428-8802

地址:辽宁省大连经济技术开发区现代城3栋-13-13号

在线客服系统