李工:138-8949-5179 刘工:135-0428-8802
型号查询
轴承型号   常见搜索: 6020轴承 6906轴承 6015轴承 6030轴承 6018轴承 6022轴承
型号查询 X

轴承专区

Bearings Center

61910轴承-SKF 61910轴承尺寸、图纸、价格

SKF 61910轴承

产品名称:61910轴承 品牌:SKF
类型:SKF轴承 > 滚动轴承 > 深沟球轴承
描述:61910轴承是【SKF轴承 > 滚动轴承 > 深沟球轴承】的型号,主要用在通用电动机、差速器小齿轮轴、纺织机械传动轴、小齿轮轴、各类产业用减速机、机床等的变速装置、轧钢机轧制螺杆用减速机、啤酒、工程船舶、刮泥机等各大领域

 电话/微信:138-8949-5179

SKF 61910轴承详细信息

61910轴承是【SKF轴承 > 滚动轴承 > 深沟球轴承】的型号,主要用在通用电动机、差速器小齿轮轴、纺织机械传动轴、小齿轮轴、各类产业用减速机、机床等的变速装置、轧钢机轧制螺杆用减速机、啤酒、工程船舶、刮泥机等各大领域。

SKF 61910轴承详细参数

深沟球轴承, 单列, 无密封件
主要数据尺寸基本负荷额定值疲劳负荷限值额定速度体积型号
动态静态参照速度限制速度
dDBCC0Pu
mmkNkNr/minkg-
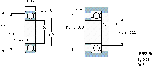
50721214,611,80,519000120000,1461910

SKF 61910轴承尺寸图纸

李工:138-8949-5179

刘工:135-0428-8802

地址:辽宁省大连经济技术开发区现代城3栋-13-13号

在线客服系统