李工:138-8949-5179 刘工:135-0428-8802
型号查询
轴承型号   常见搜索: 23136轴承 6006轴承 6032轴承 6013轴承 6900轴承 6020轴承
型号查询 X

轴承专区

Bearings Center

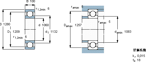
618/1060 MA轴承-SKF 618/1060 MA轴承尺寸、图纸、价格

SKF 618/1060 MA轴承

产品名称:618/1060 MA轴承 品牌:SKF
类型:SKF轴承 > 滚动轴承 > 深沟球轴承
描述:618/1060 MA轴承是【SKF轴承 > 滚动轴承 > 深沟球轴承】的型号,主要用在电气装置部件、空气压缩机、压缩机、大型农业机械、造纸机械、汽车转向销、船舶用螺旋桨轴、陶瓷机械、土方机械、风力发电设备等各大领域

 电话/微信:138-8949-5179

SKF 618/1060 MA轴承详细信息

618/1060 MA轴承是【SKF轴承 > 滚动轴承 > 深沟球轴承】的型号,主要用在电气装置部件、空气压缩机、压缩机、大型农业机械、造纸机械、汽车转向销、船舶用螺旋桨轴、陶瓷机械、土方机械、风力发电设备等各大领域。

SKF 618/1060 MA轴承详细参数

深沟球轴承, 单列, 无密封件
主要数据尺寸基本负荷额定值疲劳负荷限值额定速度体积型号
动态静态参照速度限制速度
dDBCC0Pu
mmkNkNr/minkg-
10601280100728212026,5670560260618/1060 MA

SKF 618/1060 MA轴承尺寸图纸

李工:138-8949-5179

刘工:135-0428-8802

地址:辽宁省大连经济技术开发区现代城3栋-13-13号

在线客服系统