轴承专区
Bearings Center
YET 205/W64轴承-SKF YET 205/W64轴承尺寸、图纸、价格
SKF YET 205/W64轴承
| 产品名称: | YET 205/W64轴承 | 品牌: | SKF |
|---|---|---|---|
| 类型: | SKF轴承 > 滚动轴承 > Y-轴承 | ||
| 描述: | YET 205/W64轴承是【SKF轴承 > 滚动轴承 > Y-轴承】的型号,主要用在变速器、离心分离机、中型及大型电动机、变速器、印刷机械、制铁制钢机械、立式电动机、音像设备、起重机械、机械手等各大领域 | ||
电话/微信:138-8949-5179
SKF YET 205/W64轴承详细信息
YET 205/W64轴承是【SKF轴承 > 滚动轴承 > Y-轴承】的型号,主要用在变速器、离心分离机、中型及大型电动机、变速器、印刷机械、制铁制钢机械、立式电动机、音像设备、起重机械、机械手等各大领域。
SKF YET 205/W64轴承详细参数
| Y-轴承, 含Solid Oil | ||||||||||
| 主要数据尺寸 | 基本负荷额定值 | 疲劳负荷限值 | 限制速度 | 体积 | 型号 | |||||
| 动态 | 静态 | |||||||||
| d | D | B (B1) | C | C | C0 | Pu | ||||
| mm | kN | kN | r/min | kg | - | |||||
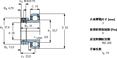
| 25 | 52 | 31 | 15 | 14 | 7,8 | 0,335 | 850 | 0,19 | YET 205/W64 | |
SKF YET 205/W64轴承尺寸图纸

