李工:138-8949-5179 刘工:135-0428-8802
型号查询
轴承型号   常见搜索: 6305轴承 6006轴承 617轴承 6008轴承 6900轴承 6021轴承
型号查询 X

轴承专区

Bearings Center

W 623轴承-SKF W 623轴承尺寸、图纸、价格

SKF W 623轴承

产品名称:W 623轴承 品牌:SKF
类型:SKF轴承 > 滚动轴承 > 深沟球轴承
描述:W 623轴承是【SKF轴承 > 滚动轴承 > 深沟球轴承】的型号,主要用在各种产业机械、差速器小齿轮轴、压缩机、小齿轮轴、各类产业用减速机、机床等的变速装置、发电厂、薄膜拉伸、工程船舶、雷达等各大领域

 电话/微信:138-8949-5179

SKF W 623轴承详细信息

W 623轴承是【SKF轴承 > 滚动轴承 > 深沟球轴承】的型号,主要用在各种产业机械、差速器小齿轮轴、压缩机、小齿轮轴、各类产业用减速机、机床等的变速装置、发电厂、薄膜拉伸、工程船舶、雷达等各大领域。

SKF W 623轴承详细参数

深沟球轴承, 单列,不锈钢, 无密封件
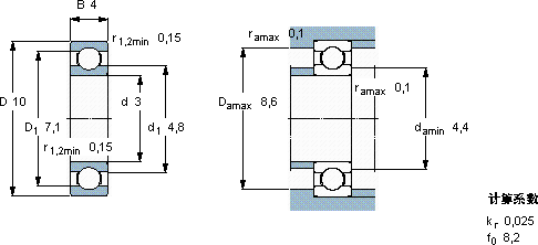
主要数据尺寸基本负荷额定值疲劳负荷限值额定速度体积型号
动态静态参照速度限制速度
dDBCC0Pu
mmkNkNr/minkg-
31040,390,1290,0056130000800000,0016W 623

SKF W 623轴承尺寸图纸

李工:138-8949-5179

刘工:135-0428-8802

地址:辽宁省大连经济技术开发区现代城3栋-13-13号

在线客服系统