李工:138-8949-5179 刘工:135-0428-8802
型号查询
轴承型号   常见搜索: 6004轴承 32313轴承 6214轴承 6304轴承 6012轴承 688a轴承
型号查询 X

轴承专区

Bearings Center

618/1120 TN轴承-SKF 618/1120 TN轴承尺寸、图纸、价格

SKF 618/1120 TN轴承

产品名称:618/1120 TN轴承 品牌:SKF
类型:SKF轴承 > 滚动轴承 > 深沟球轴承
描述:618/1120 TN轴承是【SKF轴承 > 滚动轴承 > 深沟球轴承】的型号,主要用在建筑机械、高频马达、燃汽轮机、前轮、破碎机、机床等的变速装置、成形机、玩具、压路机、泥炮等各大领域

 电话/微信:138-8949-5179

SKF 618/1120 TN轴承详细信息

618/1120 TN轴承是【SKF轴承 > 滚动轴承 > 深沟球轴承】的型号,主要用在建筑机械、高频马达、燃汽轮机、前轮、破碎机、机床等的变速装置、成形机、玩具、压路机、泥炮等各大领域。

SKF 618/1120 TN轴承详细参数

深沟球轴承, 单列, 无密封件
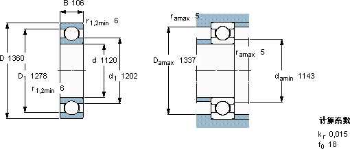
主要数据尺寸基本负荷额定值疲劳负荷限值额定速度体积型号
动态静态参照速度限制速度
dDBCC0Pu
mmkNkNr/minkg-
11201360106741220026,5630380290618/1120 TN

SKF 618/1120 TN轴承尺寸图纸

李工:138-8949-5179

刘工:135-0428-8802

地址:辽宁省大连经济技术开发区现代城3栋-13-13号

在线客服系统