李工:138-8949-5179 刘工:135-0428-8802
型号查询
轴承型号   常见搜索: 6017轴承 3214轴承 6021轴承 6001轴承 6024轴承 nu轴承
型号查询 X

轴承专区

Bearings Center

231/670 CAK/W33 + OH 31/670 H轴承-SKF 231/670 CAK/W33 + OH 31/670 H轴承尺寸、图纸、价格

SKF 231/670 CAK/W33 + OH 31/670 H轴承

产品名称:231/670 CAK/W33 + OH 31/670 H轴承 品牌:SKF
类型:SKF轴承 > 滚动轴承 > 球面滚子轴承
描述:231/670 CAK/W33 + OH 31/670 H轴承是【SKF轴承 > 滚动轴承 > 球面滚子轴承】的型号,主要用在各种产业机械、离心分离机、木工机械、变速器、印刷机械、制铁制钢机械、发电厂、啤酒、堆取料机、塔式车库等各大领域

 电话/微信:138-8949-5179

SKF 231/670 CAK/W33 + OH 31/670 H轴承详细信息

231/670 CAK/W33 + OH 31/670 H轴承是【SKF轴承 > 滚动轴承 > 球面滚子轴承】的型号,主要用在各种产业机械、离心分离机、木工机械、变速器、印刷机械、制铁制钢机械、发电厂、啤酒、堆取料机、塔式车库等各大领域。

SKF 231/670 CAK/W33 + OH 31/670 H轴承详细参数

球面滚子轴承, 带紧定套的
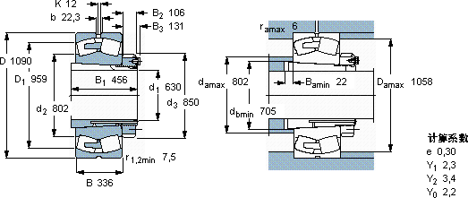
主要数据尺寸基本负荷额定值疲劳负荷限值额定速度体积型号
动态静态参照速度限制速度轴承 + 紧定套
d1DBCC0Pu
mmkNkNr/minkg-
6301090336109002240013702405001510231/670 CAK/W33 + OH 31/670 H

SKF 231/670 CAK/W33 + OH 31/670 H轴承尺寸图纸

李工:138-8949-5179

刘工:135-0428-8802

地址:辽宁省大连经济技术开发区现代城3栋-13-13号

在线客服系统