轴承专区
Bearings Center
294/630 EM轴承-SKF 294/630 EM轴承尺寸、图纸、价格
SKF 294/630 EM轴承
| 产品名称: | 294/630 EM轴承 | 品牌: | SKF |
|---|---|---|---|
| 类型: | SKF轴承 > 滚动轴承 > 球面滚子推力轴承 | ||
| 描述: | 294/630 EM轴承是【SKF轴承 > 滚动轴承 > 球面滚子推力轴承】的型号,主要用在各种产业机械、印刷机械、中型及大型电动机、轧钢机辊颈、轧钢机齿轮箱座、制铁制钢机械、发电厂、玩具、堆取料机、雷达等各大领域 | ||
电话/微信:138-8949-5179
SKF 294/630 EM轴承详细信息
294/630 EM轴承是【SKF轴承 > 滚动轴承 > 球面滚子推力轴承】的型号,主要用在各种产业机械、印刷机械、中型及大型电动机、轧钢机辊颈、轧钢机齿轮箱座、制铁制钢机械、发电厂、玩具、堆取料机、雷达等各大领域。
SKF 294/630 EM轴承详细参数
| 球面滚子推力轴承, 球面滚子推力轴承 | |||||||||||
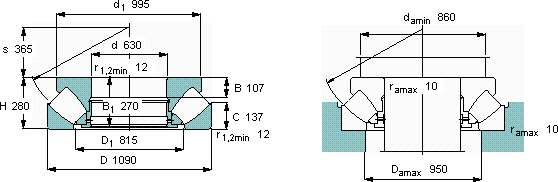
| 主要数据尺寸 | 尺寸 [英寸] | 疲劳负荷限值 | 最小负荷系数 | 额定速度 | 体积 | 型号 | |||||
| 动态 | 静态 | 参照速度 | 限制速度 | ||||||||
| d | D | H | C | C0 | Pu | ||||||
| mm | kN | kN | - | r/min | kg | - | |||||
| 630 | 1090 | 280 | 14400 | 62000 | 4150 | 370 | 260 | 500 | 1040 | 294/630 EM | |
SKF 294/630 EM轴承尺寸图纸

