轴承专区
Bearings Center
PDRJ 324轴承-SKF PDRJ 324轴承尺寸、图纸、价格
SKF PDRJ 324轴承
| 产品名称: | PDRJ 324轴承 | 品牌: | SKF |
|---|---|---|---|
| 类型: | SKF轴承 > 轴承单元 > 双轴承装置 | ||
| 描述: | PDRJ 324轴承是【SKF轴承 > 轴承单元 > 双轴承装置】的型号,主要用在通用电动机、高频马达、压缩机、前轮、各类产业用减速机、机床等的变速装置、轧钢机轧制螺杆用减速机、洗染、工程船舶、机场加油机等各大领域 | ||
电话/微信:138-8949-5179
SKF PDRJ 324轴承详细信息
PDRJ 324轴承是【SKF轴承 > 轴承单元 > 双轴承装置】的型号,主要用在通用电动机、高频马达、压缩机、前轮、各类产业用减速机、机床等的变速装置、轧钢机轧制螺杆用减速机、洗染、工程船舶、机场加油机等各大领域。
SKF PDRJ 324轴承详细参数
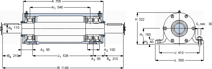
| 双轴承单元, PDRJ单元 | ||||||||||
| 尺寸 | 整体轴承 | 质量 | 型号 | |||||||
| 轴承座与 | Key405 | 轴承单元 | ||||||||
| db | B | H | H1 | L | ||||||
| mm | - | kg | - | |||||||
| 110 | 1148 | 322 | 160 | 500 | NU 324 ECP | 6324/C3 | NU 324 ECP | 289 | PDRJ 324 | |
SKF PDRJ 324轴承尺寸图纸

