轴承专区
Bearings Center
60/500 N1MAS轴承-SKF 60/500 N1MAS轴承尺寸、图纸、价格
SKF 60/500 N1MAS轴承
| 产品名称: | 60/500 N1MAS轴承 | 品牌: | SKF |
|---|---|---|---|
| 类型: | SKF轴承 > 滚动轴承 > 深沟球轴承 | ||
| 描述: | 60/500 N1MAS轴承是【SKF轴承 > 滚动轴承 > 深沟球轴承】的型号,主要用在飞机喷气式发动机、空气压缩机、燃汽轮机、大型农业机械、造纸机械、耕耘机、燃机、音像设备、平地机、钢包回转台等各大领域 | ||
电话/微信:138-8949-5179
SKF 60/500 N1MAS轴承详细信息
60/500 N1MAS轴承是【SKF轴承 > 滚动轴承 > 深沟球轴承】的型号,主要用在飞机喷气式发动机、空气压缩机、燃汽轮机、大型农业机械、造纸机械、耕耘机、燃机、音像设备、平地机、钢包回转台等各大领域。
SKF 60/500 N1MAS轴承详细参数
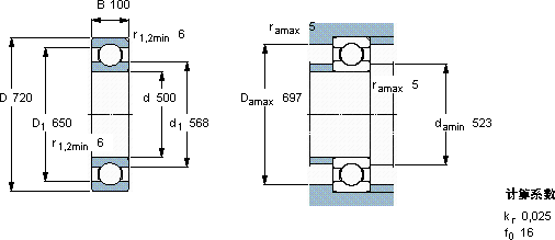
| 深沟球轴承, 单列, 于外圈的一个带定位槽 | |||||||||||
| 主要数据尺寸 | 基本负荷额定值 | 疲劳负荷限值 | 额定速度 | 体积 | 型号 | ||||||
| 动态 | 静态 | 参照速度 | 限制速度 | ||||||||
| d | D | B | C | C0 | Pu | ||||||
| mm | kN | kN | r/min | kg | - | ||||||
| 500 | 720 | 100 | 605 | 1140 | 19,6 | 1600 | 1300 | 135 | 60/500 N1MAS | ||
SKF 60/500 N1MAS轴承尺寸图纸

