轴承专区
Bearings Center
FY 40 TF/VA201轴承-SKF FY 40 TF/VA201轴承尺寸、图纸、价格
SKF FY 40 TF/VA201轴承
| 产品名称: | FY 40 TF/VA201轴承 | 品牌: | SKF |
|---|---|---|---|
| 类型: | SKF轴承 > 滚动轴承 > 工程产品 | ||
| 描述: | FY 40 TF/VA201轴承是【SKF轴承 > 滚动轴承 > 工程产品】的型号,主要用在内燃机、油泵、木工机械、机床主轴、振动筛、石油钻机、挤压机、洗染、给料机械、抓钢机等各大领域 | ||
电话/微信:138-8949-5179
SKF FY 40 TF/VA201轴承详细信息
FY 40 TF/VA201轴承是【SKF轴承 > 滚动轴承 > 工程产品】的型号,主要用在内燃机、油泵、木工机械、机床主轴、振动筛、石油钻机、挤压机、洗染、给料机械、抓钢机等各大领域。
SKF FY 40 TF/VA201轴承详细参数
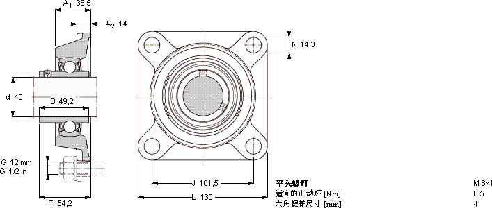
| 用于高温的Y-轴承单元,带法兰单元,方轴承座, 公制轴承 | ||||||||||
| 尺寸 | 基本负荷额定值 | 质量 | 型号 | |||||||
| 静态 | 轴承单元 | 轴承座 | 轴承 | |||||||
| d | A1 | J | L | T | C0 | |||||
| mm | kN | kg | - | |||||||
| 40 | 38,5 | 101,5 | 130 | 54,2 | 19 | 1,90 | FY 40 TF/VA201 | FY 508 U/VA228 | YAR 208-2FW/VA201 | |
SKF FY 40 TF/VA201轴承尺寸图纸

