轴承专区
Bearings Center
STO 6 TN轴承-SKF STO 6 TN轴承尺寸、图纸、价格
SKF STO 6 TN轴承
| 产品名称: | STO 6 TN轴承 | 品牌: | SKF |
|---|---|---|---|
| 类型: | SKF轴承 > 滚动轴承 > 滚轮轴承 | ||
| 描述: | STO 6 TN轴承是【SKF轴承 > 滚动轴承 > 滚轮轴承】的型号,主要用在农业机械、空气压缩机、汽车发动机、大型农业机械、铁路车辆车轴、汽车转向销、钢铁厂、钟表、掘进机、刮泥机等各大领域 | ||
电话/微信:138-8949-5179
SKF STO 6 TN轴承详细信息
STO 6 TN轴承是【SKF轴承 > 滚动轴承 > 滚轮轴承】的型号,主要用在农业机械、空气压缩机、汽车发动机、大型农业机械、铁路车辆车轴、汽车转向销、钢铁厂、钟表、掘进机、刮泥机等各大领域。
SKF STO 6 TN轴承详细参数
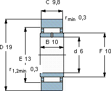
| 不带法兰圈支承滚子,有内圈 | |||||||||||
| 尺寸 | 基本负荷额定值 | 疲劳限值 | 最大径向负荷 | 限制速度 | 体积 | 型号 | |||||
| 动态 | 静态 | 动态 | 静态 | ||||||||
| D | d | C | C | C0 | Pu | Fr | F0r | ||||
| mm | kN | kN | kN | r/min | kg | - | |||||
| 19 | 6 | 9,8 | 3,74 | 4,5 | 0,5 | 4,25 | 6,1 | 7000 | 0,017 | STO 6 TN | |
SKF STO 6 TN轴承尺寸图纸

