轴承专区
Bearings Center
YEL 207-2RF/W64轴承-SKF YEL 207-2RF/W64轴承尺寸、图纸、价格
SKF YEL 207-2RF/W64轴承
| 产品名称: | YEL 207-2RF/W64轴承 | 品牌: | SKF |
|---|---|---|---|
| 类型: | SKF轴承 > 滚动轴承 > Y-轴承 | ||
| 描述: | YEL 207-2RF/W64轴承是【SKF轴承 > 滚动轴承 > Y-轴承】的型号,主要用在内燃机、空气压缩机、变速器、大型农业机械、铁路车辆车轴、汽车转向销、挤压机、啤酒、土方机械、数控设备等各大领域 | ||
电话/微信:138-8949-5179
SKF YEL 207-2RF/W64轴承详细信息
YEL 207-2RF/W64轴承是【SKF轴承 > 滚动轴承 > Y-轴承】的型号,主要用在内燃机、空气压缩机、变速器、大型农业机械、铁路车辆车轴、汽车转向销、挤压机、啤酒、土方机械、数控设备等各大领域。
SKF YEL 207-2RF/W64轴承详细参数
| Y-轴承, 含Solid Oil | ||||||||||
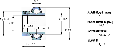
| 主要数据尺寸 | 基本负荷额定值 | 疲劳负荷限值 | 限制速度 | 体积 | 型号 | |||||
| 动态 | 静态 | |||||||||
| d | D | B (B1) | C | C | C0 | Pu | ||||
| mm | kN | kN | r/min | kg | - | |||||
| 35 | 72 | 51,1 | 19 | 25,5 | 15,3 | 0,655 | 600 | 0,55 | YEL 207-2RF/W64 | |
SKF YEL 207-2RF/W64轴承尺寸图纸

