李工:138-8949-5179 刘工:135-0428-8802
型号查询
轴承型号   常见搜索: 6026轴承 2025轴承 6020轴承 2026轴承 6909轴承 6017轴承
型号查询 X

轴承专区

Bearings Center

51201 V/HR22T2轴承-SKF 51201 V/HR22T2轴承尺寸、图纸、价格

SKF 51201 V/HR22T2轴承

产品名称:51201 V/HR22T2轴承 品牌:SKF
类型:SKF轴承 > 滚动轴承 > 工程产品
描述:51201 V/HR22T2轴承是【SKF轴承 > 滚动轴承 > 工程产品】的型号,主要用在各种产业机械、高频马达、燃汽轮机、前轮、减速装置、机床等的变速装置、发电厂、音像设备、工程船舶、冶金起重机等各大领域

 电话/微信:138-8949-5179

SKF 51201 V/HR22T2轴承详细信息

51201 V/HR22T2轴承是【SKF轴承 > 滚动轴承 > 工程产品】的型号,主要用在各种产业机械、高频马达、燃汽轮机、前轮、减速装置、机床等的变速装置、发电厂、音像设备、工程船舶、冶金起重机等各大领域。

SKF 51201 V/HR22T2轴承详细参数

聚合物球轴承,推力球轴承, PP/PP/stainless steel/PP
主要数据尺寸负荷能力额定速度体积型号
dDB动态1)静态2)最大3)最大-
1) above 50 °C and/or above 20 %3) Consider load carrying
of max speed rating considercapability reduction according
2) above 50 °C consider
mmkNr/minkg-
1228110,360,295000,006751201 V/HR22T2

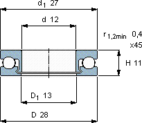
SKF 51201 V/HR22T2轴承尺寸图纸

李工:138-8949-5179

刘工:135-0428-8802

地址:辽宁省大连经济技术开发区现代城3栋-13-13号

在线客服系统