轴承专区
Bearings Center
51100 V/HR11T1轴承-SKF 51100 V/HR11T1轴承尺寸、图纸、价格
SKF 51100 V/HR11T1轴承
| 产品名称: | 51100 V/HR11T1轴承 | 品牌: | SKF |
|---|---|---|---|
| 类型: | SKF轴承 > 滚动轴承 > 工程产品 | ||
| 描述: | 51100 V/HR11T1轴承是【SKF轴承 > 滚动轴承 > 工程产品】的型号,主要用在各种产业机械、印刷机械、发电机、轧钢机辊颈、印刷机械、石油钻机转环、发电厂、制鞋、轻工机械、雷达等各大领域 | ||
电话/微信:138-8949-5179
SKF 51100 V/HR11T1轴承详细信息
51100 V/HR11T1轴承是【SKF轴承 > 滚动轴承 > 工程产品】的型号,主要用在各种产业机械、印刷机械、发电机、轧钢机辊颈、印刷机械、石油钻机转环、发电厂、制鞋、轻工机械、雷达等各大领域。
SKF 51100 V/HR11T1轴承详细参数
| 聚合物球轴承,推力球轴承, POM/POM/stainless steel/POM | ||||||||
| 主要数据尺寸 | 负荷能力 | 额定速度 | 体积 | 型号 | ||||
| d | D | B | 动态1) | 静态2) | 最大3) | 最大 | - | |
| 1) above 50 °C and/or above 20 % | 3) Consider load carrying | |||||||
| of max speed rating consider | capability reduction according | |||||||
| 2) above 50 °C consider | ||||||||
| mm | kN | r/min | kg | - | ||||
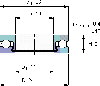
| 10 | 24 | 9 | 0,25 | 0,2 | 600 | 0,0052 | 51100 V/HR11T1 | |
SKF 51100 V/HR11T1轴承尺寸图纸

