李工:138-8949-5179 刘工:135-0428-8802
型号查询
轴承型号   常见搜索: 688a轴承 6032轴承 6024轴承 6016轴承 32313轴承 6002轴承
型号查询 X

轴承专区

Bearings Center

6315 *轴承-SKF 6315 *轴承尺寸、图纸、价格

SKF 6315 *轴承

产品名称:6315 *轴承 品牌:SKF
类型:SKF轴承 > 滚动轴承 > 深沟球轴承
描述:6315 *轴承是【SKF轴承 > 滚动轴承 > 深沟球轴承】的型号,主要用在家用电器、小型汽车前轮、木工机械、差速器、轧钢机辊道子、汽车转向销、塔吊、医药设备、掘进机、冶金起重机等各大领域

 电话/微信:138-8949-5179

SKF 6315 *轴承详细信息

6315 *轴承是【SKF轴承 > 滚动轴承 > 深沟球轴承】的型号,主要用在家用电器、小型汽车前轮、木工机械、差速器、轧钢机辊道子、汽车转向销、塔吊、医药设备、掘进机、冶金起重机等各大领域。

SKF 6315 *轴承详细参数

深沟球轴承, 单列, 无密封件
主要数据尺寸基本负荷额定值疲劳负荷限值额定速度体积型号
动态静态参照速度限制速度
dDBCC0Pu * - SKF Explorer 轴承
mmkNkNr/minkg-
751603711976,53900056003,006315 *

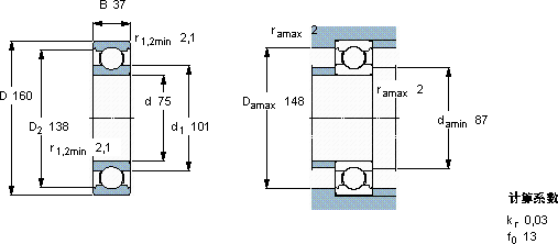
SKF 6315 *轴承尺寸图纸

李工:138-8949-5179

刘工:135-0428-8802

地址:辽宁省大连经济技术开发区现代城3栋-13-13号

在线客服系统