轴承专区
Bearings Center
7210 BECBY轴承-SKF 7210 BECBY轴承尺寸、图纸、价格
SKF 7210 BECBY轴承
| 产品名称: | 7210 BECBY轴承 | 品牌: | SKF |
|---|---|---|---|
| 类型: | SKF轴承 > 滚动轴承 > 角接触球轴承 | ||
| 描述: | 7210 BECBY轴承是【SKF轴承 > 滚动轴承 > 角接触球轴承】的型号,主要用在装卸搬运机械、印刷机械、挖土机履带轮、轧钢机辊颈、轧钢机齿轮箱座、制铁制钢机械、矿山、饮料设备、起重机械、风力发电设备等各大领域 | ||
电话/微信:138-8949-5179
SKF 7210 BECBY轴承详细信息
7210 BECBY轴承是【SKF轴承 > 滚动轴承 > 角接触球轴承】的型号,主要用在装卸搬运机械、印刷机械、挖土机履带轮、轧钢机辊颈、轧钢机齿轮箱座、制铁制钢机械、矿山、饮料设备、起重机械、风力发电设备等各大领域。
SKF 7210 BECBY轴承详细参数
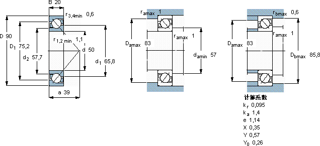
| 角接触球轴承, 单列 | |||||||||||
| 主要数据尺寸 | 尺寸 [英寸] | 疲劳负荷限值 | 额定速度 | 体积 | 型号 | ||||||
| 动态 | 静态 | 参照速度 | 限制速度 | ||||||||
| d | D | B | C | C0 | Pu | ||||||
| mm | kN | kN | r/min | kg | - | ||||||
| 50 | 90 | 20 | 39 | 30,5 | 1,29 | 8500 | 8500 | 0,47 | 7210 BECBY | ||
SKF 7210 BECBY轴承尺寸图纸

