李工:138-8949-5179 刘工:135-0428-8802
型号查询
轴承型号   常见搜索: 6906轴承 6309轴承 6214轴承 6016轴承 6013轴承 32313轴承
型号查询 X

轴承专区

Bearings Center

2310 K + H 2310轴承-SKF 2310 K + H 2310轴承尺寸、图纸、价格

SKF 2310 K + H 2310轴承

产品名称:2310 K + H 2310轴承 品牌:SKF
类型:SKF轴承 > 滚动轴承 > 自调心球轴承
描述:2310 K + H 2310轴承是【SKF轴承 > 滚动轴承 > 自调心球轴承】的型号,主要用在装卸搬运机械、印刷机械、中型及大型电动机、轧钢机辊颈、减速装置、石油钻机转环、矿山、薄膜拉伸、凿岩机械、风力发电设备等各大领域

 电话/微信:138-8949-5179

SKF 2310 K + H 2310轴承详细信息

2310 K + H 2310轴承是【SKF轴承 > 滚动轴承 > 自调心球轴承】的型号,主要用在装卸搬运机械、印刷机械、中型及大型电动机、轧钢机辊颈、减速装置、石油钻机转环、矿山、薄膜拉伸、凿岩机械、风力发电设备等各大领域。

SKF 2310 K + H 2310轴承详细参数

自调心球轴承, 带紧定套, 无密封件
主要数据尺寸基本负荷额定值疲劳负荷限值额定速度体积型号
动态静态参照速度限制速度轴承 + 紧定套
d1DBCC0Pu
mmkNkNr/minkg-
451104063,7201,041400095001,902310 K + H 2310

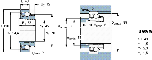
SKF 2310 K + H 2310轴承尺寸图纸

李工:138-8949-5179

刘工:135-0428-8802

地址:辽宁省大连经济技术开发区现代城3栋-13-13号

在线客服系统