轴承专区
Bearings Center
2205 E-2RS1 KTN9 + H 305 C轴承-SKF 2205 E-2RS1 KTN9 + H 305 C轴承尺寸、图纸、价格
SKF 2205 E-2RS1 KTN9 + H 305 C轴承
| 产品名称: | 2205 E-2RS1 KTN9 + H 305 C轴承 | 品牌: | SKF |
|---|---|---|---|
| 类型: | SKF轴承 > 滚动轴承 > 自调心球轴承 | ||
| 描述: | 2205 E-2RS1 KTN9 + H 305 C轴承是【SKF轴承 > 滚动轴承 > 自调心球轴承】的型号,主要用在装卸搬运机械、罗茨鼓风机、木工机械、建筑机械、轧钢机齿轮箱座、制铁制钢机械、矿山、洗染、起重机械、伽玛等各大领域 | ||
电话/微信:138-8949-5179
SKF 2205 E-2RS1 KTN9 + H 305 C轴承详细信息
2205 E-2RS1 KTN9 + H 305 C轴承是【SKF轴承 > 滚动轴承 > 自调心球轴承】的型号,主要用在装卸搬运机械、罗茨鼓风机、木工机械、建筑机械、轧钢机齿轮箱座、制铁制钢机械、矿山、洗染、起重机械、伽玛等各大领域。
SKF 2205 E-2RS1 KTN9 + H 305 C轴承详细参数
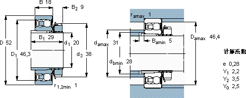
| 自调心球轴承, 带紧定套, 两面密封件 | ||||||||||
| 主要数据尺寸 | 基本负荷额定值 | 疲劳负荷限值 | 额定速度 | 体积 | 型号 | |||||
| 动态 | 静态 | 参照速度 | 限制速度 | 轴承 + 紧定套 | ||||||
| d1 | D | B | C | C0 | Pu | |||||
| mm | kN | kN | r/min | kg | - | |||||
| 20 | 52 | 18 | 14,3 | 4 | 0,21 | - | 9000 | 0,23 | 2205 E-2RS1 KTN9 + H 305 C | |
SKF 2205 E-2RS1 KTN9 + H 305 C轴承尺寸图纸

