轴承专区
Bearings Center
6207-2RZTN9/HC5C3WT轴承-SKF 6207-2RZTN9/HC5C3WT轴承尺寸、图纸、价格
SKF 6207-2RZTN9/HC5C3WT轴承
| 产品名称: | 6207-2RZTN9/HC5C3WT轴承 | 品牌: | SKF |
|---|---|---|---|
| 类型: | SKF轴承 > 滚动轴承 > 工程产品 | ||
| 描述: | 6207-2RZTN9/HC5C3WT轴承是【SKF轴承 > 滚动轴承 > 工程产品】的型号,主要用在农业机械、燃料喷射泵、压缩机、齿轮减速装置、木工机械、石油钻机、钢铁厂、陶瓷机械、解体机、机场加油机等各大领域 | ||
电话/微信:138-8949-5179
SKF 6207-2RZTN9/HC5C3WT轴承详细信息
6207-2RZTN9/HC5C3WT轴承是【SKF轴承 > 滚动轴承 > 工程产品】的型号,主要用在农业机械、燃料喷射泵、压缩机、齿轮减速装置、木工机械、石油钻机、钢铁厂、陶瓷机械、解体机、机场加油机等各大领域。
SKF 6207-2RZTN9/HC5C3WT轴承详细参数
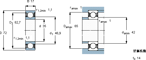
| 深沟球轴承, 单列陶瓷混合轴承, 低摩擦两面密封件 | ||||||||||
| 主要数据尺寸 | 基本负荷额定值 | 疲劳负荷限值 | 额定速度 | 体积 | 型号 | |||||
| 动态 | 静态 | 参照速度 | 限制速度 | |||||||
| d | D | B | C | C0 | Pu | |||||
| mm | kN | kN | r/min | kg | - | |||||
| 35 | 72 | 17 | 27 | 15,3 | 0,655 | 28000 | 18000 | 0,26 | 6207-2RZTN9/HC5C3WT | |
SKF 6207-2RZTN9/HC5C3WT轴承尺寸图纸

