轴承专区
Bearings Center
NKIB 5914轴承-SKF NKIB 5914轴承尺寸、图纸、价格
SKF NKIB 5914轴承
| 产品名称: | NKIB 5914轴承 | 品牌: | SKF |
|---|---|---|---|
| 类型: | SKF轴承 > 滚动轴承 > 组合滚针轴承 | ||
| 描述: | NKIB 5914轴承是【SKF轴承 > 滚动轴承 > 组合滚针轴承】的型号,主要用在燃汽轮机、罗茨鼓风机、减速装置、建筑机械、轧钢机齿轮箱座、制铁制钢机械、电机厂、音像设备、起重机械、码垛机器人等各大领域 | ||
电话/微信:138-8949-5179
SKF NKIB 5914轴承详细信息
NKIB 5914轴承是【SKF轴承 > 滚动轴承 > 组合滚针轴承】的型号,主要用在燃汽轮机、罗茨鼓风机、减速装置、建筑机械、轧钢机齿轮箱座、制铁制钢机械、电机厂、音像设备、起重机械、码垛机器人等各大领域。
SKF NKIB 5914轴承详细参数
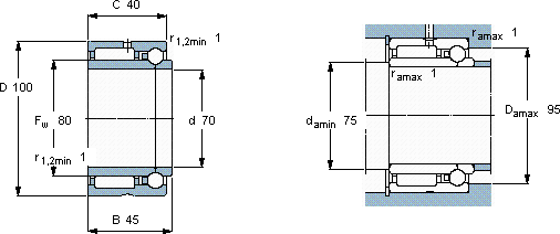
| 组合式滚针轴承, 滚针/角接触球轴承, 轴向负荷 双向 | |||||||||||||
| 主要数据尺寸 | 基本负荷额定值 | 疲劳负荷限值 | 额定速度 | 体积 | 型号 | ||||||||
| 径向 | 轴向 | 参照速度 | 限制速度 | ||||||||||
| 动态 | 静态 | 动态 | 静态 | 径向 | 轴向 | ||||||||
| d | D | B | C | C0 | C | C0 | Pu | Pu | |||||
| mm | kN | kN | r/min | kg | - | ||||||||
| 70 | 100 | 45 | 84,2 | 163 | 13,2 | 25 | 20,8 | 1,05 | 5000 | 5600 | 0,99 | NKIB 5914 | |
SKF NKIB 5914轴承尺寸图纸

