轴承专区
Bearings Center
EEB 2-2Z轴承-SKF EEB 2-2Z轴承尺寸、图纸、价格
SKF EEB 2-2Z轴承
| 产品名称: | EEB 2-2Z轴承 | 品牌: | SKF |
|---|---|---|---|
| 类型: | SKF轴承 > 滚动轴承 > 深沟球轴承 | ||
| 描述: | EEB 2-2Z轴承是【SKF轴承 > 滚动轴承 > 深沟球轴承】的型号,主要用在装卸搬运机械、罗茨鼓风机、纺织机械传动轴、建筑机械、印刷机械、制铁制钢机械、矿山、啤酒、堆取料机、伽玛等各大领域 | ||
电话/微信:138-8949-5179
SKF EEB 2-2Z轴承详细信息
EEB 2-2Z轴承是【SKF轴承 > 滚动轴承 > 深沟球轴承】的型号,主要用在装卸搬运机械、罗茨鼓风机、纺织机械传动轴、建筑机械、印刷机械、制铁制钢机械、矿山、啤酒、堆取料机、伽玛等各大领域。
SKF EEB 2-2Z轴承详细参数
| 深沟球轴承, 单列, 两面防尘罩, 英制轴承 | |||||||||||
| 主要数据尺寸 | 基本负荷额定值 | 疲劳负荷限值 | 额定速度 | 体积 | 型号 | ||||||
| 动态 | 静态 | 参照速度 | 限制速度 | ||||||||
| d | D | B | C | C0 | Pu | ||||||
| mm | kN | kN | r/min | kg | - | ||||||
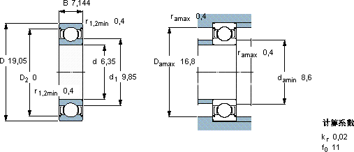
| 6,35 | 19,05 | 7,144 | 2,81 | 1,08 | 0,045 | 70000 | 50000 | 0,010 | EEB 2-2Z | 仅对售后市场 | |
SKF EEB 2-2Z轴承尺寸图纸

