轴承专区
Bearings Center
STO 45轴承-SKF STO 45轴承尺寸、图纸、价格
SKF STO 45轴承
| 产品名称: | STO 45轴承 | 品牌: | SKF |
|---|---|---|---|
| 类型: | SKF轴承 > 滚动轴承 > 滚轮轴承 | ||
| 描述: | STO 45轴承是【SKF轴承 > 滚动轴承 > 滚轮轴承】的型号,主要用在家用电器、油泵、中型及大型电动机、机床主轴、轧钢机辊道子、起重机吊钩、塔吊、制鞋、专用车、塔式车库等各大领域 | ||
电话/微信:138-8949-5179
SKF STO 45轴承详细信息
STO 45轴承是【SKF轴承 > 滚动轴承 > 滚轮轴承】的型号,主要用在家用电器、油泵、中型及大型电动机、机床主轴、轧钢机辊道子、起重机吊钩、塔吊、制鞋、专用车、塔式车库等各大领域。
SKF STO 45轴承详细参数
| 不带法兰圈支承滚子,有内圈 | |||||||||||
| 尺寸 | 基本负荷额定值 | 疲劳限值 | 最大径向负荷 | 限制速度 | 体积 | 型号 | |||||
| 动态 | 静态 | 动态 | 静态 | ||||||||
| D | d | C | C | C0 | Pu | Fr | F0r | ||||
| mm | kN | kN | kN | r/min | kg | - | |||||
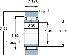
| 85 | 45 | 19,8 | 25,1 | 43 | 5,3 | 34,5 | 50 | 1700 | 0,58 | STO 45 | |
SKF STO 45轴承尺寸图纸

