轴承专区
Bearings Center
SILA 80 ES-2RS轴承-SKF SILA 80 ES-2RS轴承尺寸、图纸、价格
SKF SILA 80 ES-2RS轴承
| 产品名称: | SILA 80 ES-2RS轴承 | 品牌: | SKF |
|---|---|---|---|
| 类型: | SKF轴承 > 球面滑动轴承和杆端关节轴承 > 需维护的杆端关节轴承 | ||
| 描述: | SILA 80 ES-2RS轴承是【SKF轴承 > 球面滑动轴承和杆端关节轴承 > 需维护的杆端关节轴承】的型号,主要用在铁路车辆、小型汽车前轮、桥式起重机、差速器、铁路车辆车轴、汽车转向销、冶炼厂、烟草机械、土方机械、正面吊等各大领域 | ||
电话/微信:138-8949-5179
SKF SILA 80 ES-2RS轴承详细信息
SILA 80 ES-2RS轴承是【SKF轴承 > 球面滑动轴承和杆端关节轴承 > 需维护的杆端关节轴承】的型号,主要用在铁路车辆、小型汽车前轮、桥式起重机、差速器、铁路车辆车轴、汽车转向销、冶炼厂、烟草机械、土方机械、正面吊等各大领域。
SKF SILA 80 ES-2RS轴承详细参数
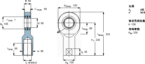
| 需要维护的杆端, 钢对钢,阴螺纹, 两面密封件 | |||||||||||
| 主要数据尺寸 | 角度倾的 | 基本负荷额定值 | 质量 | 型号 | |||||||
| 动态 | 静态 | 杆端带右或左旋螺纹 | |||||||||
| d | d2 | B | d3 | C1 | h1 | ± | C | C0 | |||
| 6H | |||||||||||
| mm | 度数 | kN | kg | - | |||||||
| 80 | 182 | 55 | M 64x4 | 48 | 230 | 5 | 400 | 655 | 15,0 | SILA 80 ES-2RS | |
SKF SILA 80 ES-2RS轴承尺寸图纸

