李工:138-8949-5179 刘工:135-0428-8802
型号查询
轴承型号   常见搜索: 6020轴承 6007轴承 6016轴承 6014轴承 617轴承 6906轴承
型号查询 X

轴承专区

Bearings Center

2 x 7316 BECBP *轴承-SKF 2 x 7316 BECBP *轴承尺寸、图纸、价格

SKF 2 x 7316 BECBP *轴承

产品名称:2 x 7316 BECBP *轴承 品牌:SKF
类型:SKF轴承 > 滚动轴承 > 角接触球轴承
描述:2 x 7316 BECBP *轴承是【SKF轴承 > 滚动轴承 > 角接触球轴承】的型号,主要用在通用电动机、各类变速器、减速装置、铁路车辆、印刷机械、机床等的变速装置、轧钢机轧制螺杆用减速机、钟表、压路机、太阳能发电设备等各大领域

 电话/微信:138-8949-5179

SKF 2 x 7316 BECBP *轴承详细信息

2 x 7316 BECBP *轴承是【SKF轴承 > 滚动轴承 > 角接触球轴承】的型号,主要用在通用电动机、各类变速器、减速装置、铁路车辆、印刷机械、机床等的变速装置、轧钢机轧制螺杆用减速机、钟表、压路机、太阳能发电设备等各大领域。

SKF 2 x 7316 BECBP *轴承详细参数

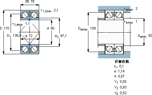
角接触球轴承, 单列,用于配对安装, 面对面配对
主要数据尺寸基本负荷额定值疲劳负荷限值额定速度体积型号轴承配对
动态静态参照速度限制速度
dD2BCC0Pu * - SKF Explorer 轴承
mmkNkNr/minkg--
80170782362369400050007,302 × 7316 BECBP *DF

SKF 2 x 7316 BECBP *轴承尺寸图纸

李工:138-8949-5179

刘工:135-0428-8802

地址:辽宁省大连经济技术开发区现代城3栋-13-13号

在线客服系统