轴承专区
Bearings Center
2307 KM轴承-SKF 2307 KM轴承尺寸、图纸、价格
SKF 2307 KM轴承
| 产品名称: | 2307 KM轴承 | 品牌: | SKF |
|---|---|---|---|
| 类型: | SKF轴承 > 滚动轴承 > 自调心球轴承 | ||
| 描述: | 2307 KM轴承是【SKF轴承 > 滚动轴承 > 自调心球轴承】的型号,主要用在各种产业机械、印刷机械、燃汽轮机、轧钢机辊颈、减速装置、制铁制钢机械、发电厂、制鞋、堆取料机、雷达等各大领域 | ||
电话/微信:138-8949-5179
SKF 2307 KM轴承详细信息
2307 KM轴承是【SKF轴承 > 滚动轴承 > 自调心球轴承】的型号,主要用在各种产业机械、印刷机械、燃汽轮机、轧钢机辊颈、减速装置、制铁制钢机械、发电厂、制鞋、堆取料机、雷达等各大领域。
SKF 2307 KM轴承详细参数
| 自调心球轴承, 圆柱孔和圆锥孔, 圆锥型内孔, 无密封件 | ||||||||||
| 主要数据尺寸 | 基本负荷额定值 | 疲劳负荷限值 | 额定速度 | 体积 | 型号 | |||||
| 动态 | 静态 | 参照速度 | 限制速度 | |||||||
| d | D | B | C | C0 | Pu | |||||
| mm | kN | kN | r/min | kg | - | |||||
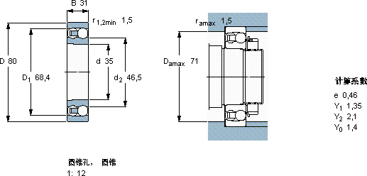
| 35 | 80 | 31 | 39,7 | 11,2 | 0,59 | 16000 | 12000 | 0,75 | 2307 KM | |
SKF 2307 KM轴承尺寸图纸

