轴承专区
Bearings Center
KNO50-B-PP轴承-INA KNO50-B-PP轴承尺寸、图纸、价格
INA KNO50-B-PP轴承
| 产品名称: | KNO50-B-PP轴承 | 品牌: | INA |
|---|---|---|---|
| 类型: | INA轴承 > 直线球轴承 | ||
| 描述: | KNO50-B-PP轴承是【INA轴承 > 直线球轴承】的型号,主要用在建筑机械、高频马达、纺织机械传动轴、前轮、破碎机、机床等的变速装置、成形机、音像设备、压路机、泥炮等各大领域 | ||
电话/微信:138-8949-5179
INA KNO50-B-PP轴承详细信息
KNO50-B-PP轴承是【INA轴承 > 直线球轴承】的型号,主要用在建筑机械、高频马达、纺织机械传动轴、前轮、破碎机、机床等的变速装置、成形机、音像设备、压路机、泥炮等各大领域。
INA KNO50-B-PP轴承详细参数
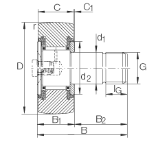
| 参数 | 值 | 备注 |
| Fw | 50 mm | |
| D | 75 mm | |
| L | 100 mm | |
| 5 | 球的列数 | |
| 1) | 主载荷方向 | |
| A10 | 2,5 mm | |
| B2 | 22,5 mm | 和直径 Fw 有关的尺寸 B2 |
| b1 max | 3 mm | |
| N4 | 5 mm | 孔的位置相对于轴承宽度 L 是对称的 |
| T4 | 2,3 mm | |
| α | 54 ° | |
| m | 570 g | 轴承的质量 |
| 在主载荷方向的基本额定载荷基本额定载荷仅适用于淬硬(670+170 HV)及磨削过的作为滚道的轴。 | ||
| Cmax | 9300 N | 基本额定动载荷 |
| C0 max | 6500 N | 基本额定静载荷 |
INA KNO50-B-PP轴承尺寸图纸

