轴承专区
Bearings Center
SIL 6 E轴承-SKF SIL 6 E轴承尺寸、图纸、价格
SKF SIL 6 E轴承
| 产品名称: | SIL 6 E轴承 | 品牌: | SKF |
|---|---|---|---|
| 类型: | SKF轴承 > 球面滑动轴承和杆端关节轴承 > 需维护的杆端关节轴承 | ||
| 描述: | SIL 6 E轴承是【SKF轴承 > 球面滑动轴承和杆端关节轴承 > 需维护的杆端关节轴承】的型号,主要用在铁路车辆、燃料喷射泵、泵、齿轮减速装置、造纸机械、起重机吊钩、冶炼厂、薄膜拉伸、强夯机、正面吊等各大领域 | ||
电话/微信:138-8949-5179
SKF SIL 6 E轴承详细信息
SIL 6 E轴承是【SKF轴承 > 球面滑动轴承和杆端关节轴承 > 需维护的杆端关节轴承】的型号,主要用在铁路车辆、燃料喷射泵、泵、齿轮减速装置、造纸机械、起重机吊钩、冶炼厂、薄膜拉伸、强夯机、正面吊等各大领域。
SKF SIL 6 E轴承详细参数
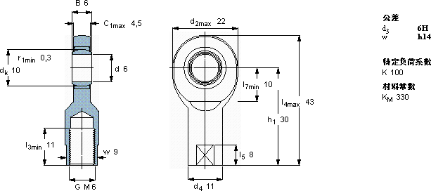
| 需要维护的杆端, 钢对钢,阴螺纹 | |||||||||||
| 主要数据尺寸 | 角度倾的 | 基本负荷额定值 | 质量 | 型号 | |||||||
| 动态 | 静态 | 杆端带右或左旋螺纹 | |||||||||
| d | d2 | B | d3 | C1 | h1 | ± | C | C0 | |||
| 6H | |||||||||||
| mm | 度数 | kN | kg | - | |||||||
| 6 | 22 | 6 | M 6 | 4,5 | 30 | 13 | 3,4 | 8,15 | 0,020 | SIL 6 E | |
SKF SIL 6 E轴承尺寸图纸

